学校主页
学院首页
党建工作
党组机构
党建活动
党员风采
专业设置
智能建造工程
建筑工程技术
建设工程管理
工程造价
道路与桥梁工程技术
建筑装饰工程技术
师资队伍
师资概况
师资风采
教学团队
教学科研
教学工作
科研工作
技能大赛
团学工作
学生组织
学生管理
学生活动
奖勤助贷
学生风采
实习实训
实训中心概况
实训安排
校企合作
认证考试
“1+X”
建设岗位资格考试
招生就业
招聘信息
招生咨询
校友风采
学院首页
学院动态
公示公告
学术讲座
党建工作
党组机构
党建活动
党员风采
专业设置
智能建造工程
建筑工程技术
建设工程管理
工程造价
道路与桥梁工程技术
建筑装饰工程技术
师资队伍
师资概况
师资风采
教学团队
教学科研
教学工作
科研工作
技能大赛
团学工作
学生组织
学生管理
学生活动
奖勤助贷
学生风采
实习实训
实训中心概况
实训安排
校企合作
认证考试
“1+X”
建设岗位资格考试
招生就业
招聘信息
招生咨询
校友风采
学院介绍
学院简介
教学教改
质量工程
教学资源
招生就业
招就动态
能效测评中心
中心概况
中心介绍
工作动态
社会服务
社会服务动态
培训信息
赴新留学
合作办学概况
相关制度
赴新动态
留学生风采
装配式工程技术中心
中心介绍
工作动态
合作企业
资源库
数字资源建设
社会培训建设
下载中心
搜索
教学教改
质量工程
国家级质量工程
省级质量工程
校级质量工程
教科研成果
教学资源
学院首页
>
教学教改
>
正文
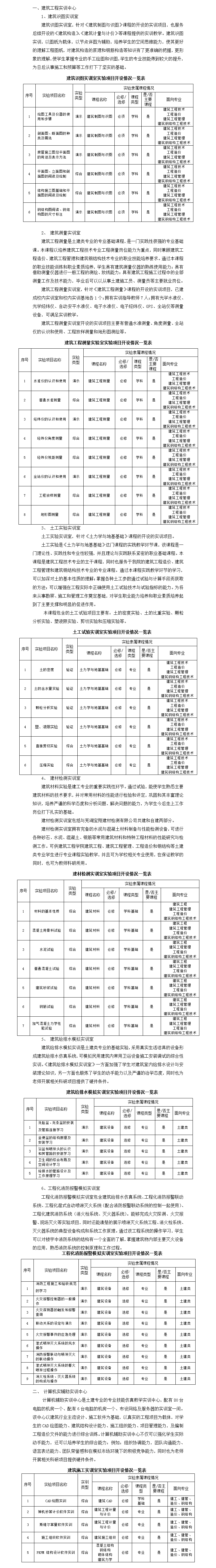
工程技术实训中心
作者:李蓉 审核: 来源: 发布时间:2015-12-18 阅读量:
上一条:建筑技术展示中心
下一条:校外实习实训基地建设管理办法
【
关闭
】